汽車制造
產品概述
product description
查看大圖
HSR-JR650L工業機器人
JR六軸機器人系列JR650L,中型負載機器人,中型負載應用于碼垛、焊接、搬運的市場優勢尤為明顯,有助于增強企業智能化程度,加強企業生產安全性。HSR-JR650L機器人擁有50kg最大負載能力,最大臂展為2400mm,合理設計工裝夾具后,機器人可實現重復定位精度不大于0.08mm的重復性工作,可以廣泛適用于搬運、切割、打磨拋光、碼垛等行業。
使用說明下載產品參數
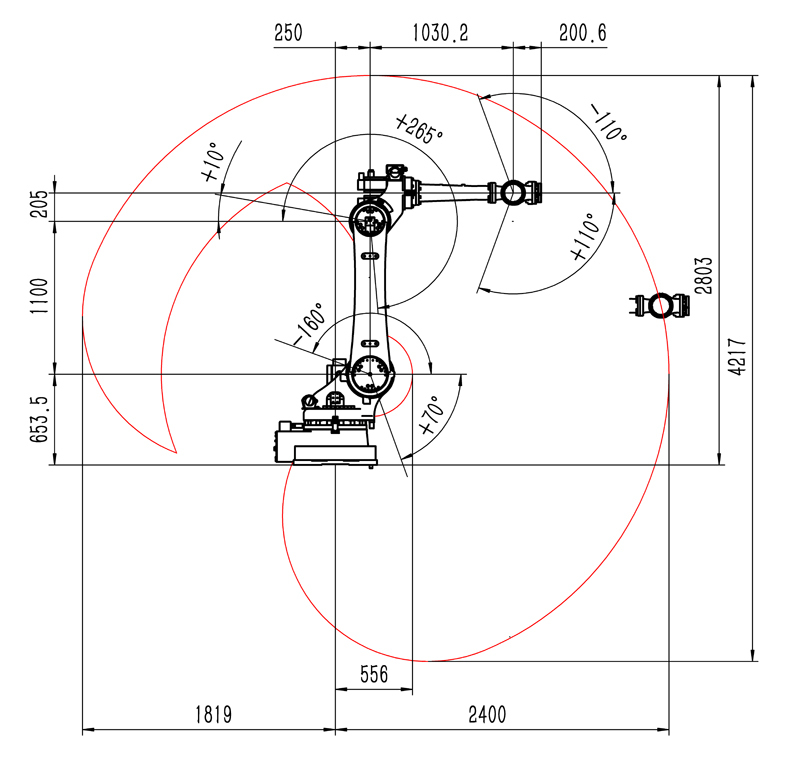
Product parameters| 工業機器人 | HSR-JR650L | |
| 自由度 | 6 | |
| 額定負載 | 50Kg | |
| 最大工作半徑 | 2400mm | |
| 重復定位精度 | ±0.08mm | |
| 運動范圍 | J1 | ±180° |
| J2 | -160°/70° | |
| J3 | +10°/265° | |
| J4 | ±360° | |
| J5 | ±110° | |
| J6 | ±360° | |
| 額定速度 | J1 | 85°/s,1.48rad/s |
| J2 | 85°/s,1.48rad/s | |
| J3 | 104°/s,1.81rad/s | |
| J4 | 177°/s,3.08rad/s | |
| J5 | 155°/s,2.7rad/s | |
| J6 | 187°/s,3.26rad/s | |
| 最高速度 | J1 | 127.5°/s,2.21rad/s |
| J2 | 127.5°/s,2.21rad/s | |
| J3 | 104°/s,1.81rad/s | |
| J4 | 177°/s,3.08rad/s | |
| J5 | 155°/s,2.7rad/s | |
| J6 | 187°/s,3.26rad/s | |
| 容許慣性矩 | J6 | 25kg㎡ |
| J5 | 32.7kg㎡ | |
| J4 | 32.7kg㎡ | |
| 容許扭矩 | J6 | 330Nm |
| J5 | 340Nm | |
| J4 | 400Nm | |
| 適用環境 | 溫度 | 0~45° |
| 濕度 | 20%~80% | |
| 其他 | 避免與易燃易爆或腐蝕性氣體、液體接觸,遠離電子噪聲源(等離子) | |
| 示教器線纜長度 | 8米 | |
| 本體-柜體連接線長度 | 8米 | |
| I/O參數 | 數字量:32輸入,31輸出(控制柜故障指示燈輸出占用1) | |
| 本體預留信號線 | 26位(航空插頭接線方式:焊接) | |
| 預留氣路 | 3*Φ10 | |
| 電源容量 | 7.5kVA | |
| 額定功率 | 5.5kW | |
| 額定電壓 | 3相AC380V ? 50HZ | |
| 額定電流 | 10.8A | |
| 本體防護等級 | IP54/IP65(手腕) | |
| 安裝方式 | 地面安裝 | |
| 本體重量 | 750kg | |
| 控制柜防護等級 | IP53 | |
| 控制柜重量 | 180KG | |
| 控制柜尺寸 | 840mm(寬)*550mm(厚)*1300mm(高)-立式 | |
產品尺寸
Product Size


